板式脉冲真空干燥机
产品简介:
板式脉冲真空干燥机是一种真空箱式干燥装置,是我司针对于中药浸膏含糖量高、温度低、易溢出、易鼓泡等特点专门研发出的一种极速干燥的设备。解决了传统真空干燥效率低、能耗高的缺点;经脉冲干燥后的浸膏疏松多孔、品质均匀、易于粉碎。
突破点:
1、烘架的每层平板的左右两侧都有脉冲电磁阀单独控制的喷气管且高度可调,针对不同物料都可达到良好的效果
2、脉冲刺破由程序控制,根据物料发泡情况,信号传给左右两侧的脉冲阀,毛细管按顺序向物料交叉对吹
3、采用平板加热,物料受热均匀,换热面积增大,热能吸收率提高;加热采用四进四出,保证温度均匀性在±2℃以内
4、选配内壁加热,防止水蒸气遇冷板液化滴入药品,且避免不必要的冷凝水二次蒸发,极大地增加了干燥效率
5、采用多点式抽真空,底部与排污口连接的副真空接口通过三通转成主真空接口,若有部分冷凝水可直接破真空抽走(真空管道配有止回阀防倒吸),无需二次蒸发。
6、采用PLC触摸屏控制,实现各个程序的自动控制及各个参数的在线显示和打印功能。所有的阀门采用电动或气动阀,自动开启或关闭
7、放空口处安装加热呼吸器,温度自控,置换的洁净空气经加热后进入腔体不会冷凝,防止干燥后的物料再次受潮
8、真空泵采用变频调速,分阶段调速抽真空,防止浸膏溢出且加快水气抽出
9、该设备腔体内所有管道可拆卸,烘架可拉出箱体,清洗方便;也可选配在线浸泡清洗
工作原理:
将物料装入烘盘中,放置与箱内加热的平板上,在真空状态下,通过连续的降压增压,由真空泵将溶剂带走(并可增加冷凝回收系统),达到快速干燥的目的。
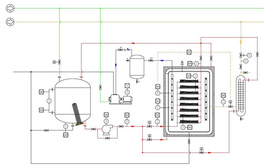
设备结构:
箱体、烘架、烘盘、破泡系统、加热系统、真空系统、控制系统组成。
特点:
1. 低温,箱体整合加热,温度均匀。
2. 破泡系统快速解决中药浸膏的发泡现象。
3. 自动脉冲系统,定时反吹,控制箱内真空度。
4. 受热面积大,干燥速率快。
5. PLC全自动控制系统,并可自动记录工作温度脉动频率等。
技术参数:
|
设备型号 |
MZG-8 |
MZG-12 |
MZG-16 |
MZG-24 |
||
|
设计装量 |
100±20% |
160±20% |
200±20% |
320±20% |
||
|
板层层数 |
8 |
12 |
8 |
12 |
||
|
烘车数量 |
1 |
1 |
2 |
2 |
||
|
烘盘数量 |
32 |
48 |
65 |
96 |
||
|
干燥温度范围 |
50℃-90℃ |
|||||
|
板层许用压力 |
≤4 |
|||||
|
烘盘尺寸 |
585*400*50 |
|||||
|
加热方式 |
蒸汽、电、热水 |
|||||
|
板层面积 |
8 |
12 |
16 |
24 |
||
|
外形尺寸 |
2100*1550*2200 |
2100*1550*2640 |
2520*2480*2200 |
2520*2480*2640 |
||
|
设备重量 |
2800 |
3200 |
5200 |
6000 |
||


